三相直流無刷馬達/永磁同步馬達與減速機組合
-
24W三相直流無刷馬達/永磁同步馬達
-
1:27的行星式減速機
-
提供不同組合搭配,更多規格可來信洽詢


| 馬達型號 |
MW-24W-24V |
| 額定電壓 |
24VDC ,8-pole, Delta Winding |
| 額定功率 | 24W |
| 正常轉矩 | 62.5mNm |
| 轉矩常數 | 35mNm/A |
| 額定電流 | 1.8A |
| 額定轉速 | 4000rpm |
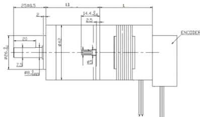
| 馬達長度(L) | 40mm |
| 重量 | 0.3kg |
|
行星式減速機 |
|
| 轉軸 | 8mm 或10mm,凸軸、凹軸或D軸 |
| 減速比 (Gear Ratio) | 1:27 |
| 減速機長度 ( L1 mm ) | 49.5 |
| 定格容許扭力(Nm) | 4.0 |
| 瞬間容許扭力(Nm) | 12.0 |
| 減速機效率 | 80% |
| 減速機重量 ( g ) | 449 |